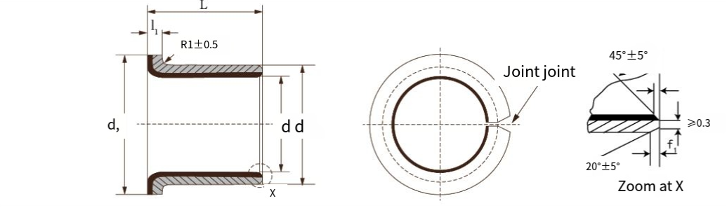
หน่วย: มม
| เส้นผ่านศูนย์กลางเพลา ฉ7 | ที่อยู่อาศัย H7 | หมายเลขรหัส | ขนาด | ฉ 1 | ฉ 2 | ||||
| ง₁ | ด₂ | ด₃ ±0.25 | ลิตร±0.25 | C₁-0.2 | |||||
| -0.013 6 -0.028 | 8 0.015 | 06040 | 6 | 8 | 12 | 4 | 1 | 0.6 | 0.3 |
| 06070 | 7 | ||||||||
| -0.013 8 -0.028 | 10 0.015 | 08055 | 8 | 10 | 15 | 5.5 | |||
| 08075 | 7.5 | ||||||||
| -0.016 10 -0.034 | 12 0.018 | 10070 | 10 | 12 | 18 | 7 | |||
| 10090 | 9 | ||||||||
| 10120 | 12 | ||||||||
| -0.016 12 -0.034 | 14 0.018 | 12070 | 12 | 14 | 20 | 7 | |||
| 12090 | 9 | ||||||||
| 12120 | 12 | ||||||||
| -0.016 14 -0.034 | 16 0.018 | 14120 | 14 | 16 | 22 | 12 | |||
| 14170 | 17 | ||||||||
| -0.016 15 -0.034 | 17 0.018 | 15090 | 15 | 17 | 23 | 9 | |||
| 15120 | 12 | ||||||||
| 15170 | 17 | ||||||||
| -0.016 16 -0.034 | 18 0.018 | 16120 | 16 | 18 | 24 | 12 | |||
| 16170 | 17 | ||||||||
| -0.016 18 -0.034 | 20 0.021 | 18120 | 18 | 20 | 26 | 12 | |||
| 18170 | 17 | ||||||||
| 18200 | 20 | ||||||||
| -0.020 20 -0.041 | 23 0.021 | 20115 | 20 | 23 | 30 | 11.5 | 1.5 | 0.6 | 0.4 |
| 20165 | 16.5 | ||||||||
| 20215 | 21.5 | ||||||||
| -0.020 22 -0.041 | 25 0.021 | 22150 | 22 | 25 | 32 | 15 | |||
| 22200 | 20 | ||||||||
| -0.020 25 -0.041 | 28 0.021 | 25115 | 25 | 28 | 35 | 11.5 | |||
| 25165 | 16.5 | ||||||||
| 25215 | 21.5 | ||||||||
| -0.025 30 -0.050 | 34 0.025 | 30160 | 30 | 34 | 42 | 16 | 2 | 1.2 | 0.4 |
| 30260 | 26 | ||||||||
| -0.025 35 -0.050 | 39 0.025 | 35160 | 35 | 39 | 47 | 16 | |||
| 35260 | 26 | ||||||||
| -0.025 40 -0.050 | 44 0.025 | 40260 | 40 | 44 | 53 | 26 | |||
| 40400 | 40 | ||||||||

เราจะตอบกลับคุณภายใน 12 ชั่วโมงของวันทำการ
ฮัวโจวเชี่ยวชาญในการวิจัยและพัฒนาผลิตภัณฑ์ตลับลูกปืนแบบหล่อลื่นในตัว การผลิต การขาย และการบริการ โดยเป็นหนึ่งในองค์กรขนาดใหญ่ที่ครอบคลุม
Huazhou ติดตั้งอุปกรณ์และบุคลากร R&D ระดับไฮเอนด์ และมีอุปกรณ์ขนาดต่างๆ มากกว่า 200 ชุด รวมถึงเครื่องขด เครื่องเจาะ เครื่องลบมุมอัตโนมัติเต็มรูปแบบ เครื่องขดม้วนอัตโนมัติเต็มรูปแบบ สายการเผาวัตถุดิบ ฯลฯ นอกจากนี้ ยังมีชุดเครื่องมือบดหลายพันชุดเครื่องมือ และประสิทธิภาพการผลิตของผลิตภัณฑ์ก็ก้าวไปสู่ระดับใหม่ ตัวอย่างผลิตได้ภายใน 3 วัน โดยมีผลผลิตรายวัน 500,000 ชิ้น และผลผลิตหลายร้อยล้านชิ้นต่อปี
การเปิดตัวอุปกรณ์พิเศษมากกว่า 260 รายการ พร้อมด้วยแม่พิมพ์นับหมื่น ผู้เชี่ยวชาญมากกว่า 150 คน และสายการผลิตอัตโนมัติ 30 รายการ
ผลิตภัณฑ์ของเราจำหน่ายในมณฑลต่างๆ ของจีน และใช้กันอย่างแพร่หลายในอุตสาหกรรมเครื่องจักรต่างๆ Volkswagen, BYD ฯลฯ และด้วยมาตรฐานสากลส่งออกไปยังรัสเซีย มาเลเซีย Tasania อิรัก โรมาเนีย และอีก 16 ประเทศ
