| ดี f1 ±0.5 | ส 3 ±0.05 | ดี โอ | ดี1 | ส f1 | บี ±05 | ||
| 44 | 3.5 | 36 | -0.15 -0.10 | 30 | 3 | -0.15 -0.10 | 40 |
| 45 | 4 | -0.03 -0.08 | 30 | ||||
| 60 | 3.5 | 41 | -0.13 -0.08 | 35 | -0.09 -0.15 | 42 | |
| 52 | 4 | 0 -0.05 | 35 | ||||
| 54 | 3.5 | 42 | -0.10 -0.05 | 3.5 | -0.02 -0.07 | 30 | |
| 60 | 4.52 | 44 | -0.14 -0.09 | 40 | 2 | -0.03 -0.08 | 39.5 |
| 53 | 4.5 | 40 | |||||
| 60 | 4 | 39.5 | |||||
| 66 | 4 | 45 | 2.4 | 40 | |||
| 60 | 4.5 | 46 | 8 | 3 | 39.5 | ||
| 61 | 4 | 0 -0.05 | 40 | ||||
| 62 | 4 | 47 | -0.13 -0.07 | 3.5 | -0.08 -0.13 | 49 | |
| 70 | 4.5 | 54 | -0.19 -0.14 | 50 | 2 | -0.03 -0.08 | 53 |
| 68 | 4.52 | 54.9 | -0.045 -0.005 | 48 | 3.5 | -0.045 -0.095 | 41.3 |
| 70 | 3.5 | 56 | -0.16 -0.11 | 50 | 3 | -0.09 -0.14 | 48 |
| 76 | 3.5 | 57 | -0.10 -0.05 | 3.5 | 0.01 -0.04 | 54 | |
| 70.5 | 8 | 58 | -0.14 -0.09 | 4 | -0.11 -0.16 | 46 | |
| 92 | 4.52 | 60.6 | -0.03 -0.02 | 54.4 | 3.1 | 0.02 -0.03 | 59 |
| 87 | 4.5 | 67 | -0.15 -0.10 | 60 | 3.5 | -0.06 -0.11 | 60 |
| 77 | 4.5 | -0.08 -0.13 | 65 | ||||
| 88 | 8 | 68 | 4 | -0.075 -0.125 | 58 | ||
| ดี f1 ±0.5 | ส 3 ±0.05 | ดี โอ | ดี 1 | ส f1 | บี ±05 | ||
| 88 | 4.5 | 68 | 0.15 0.10 | 60 | 4 | -0.07 -0.12 | 60 |
| 87 | 4.5 | 69 | 0.19 0.14 | 65 | 2 | -0.03 -0.08 | 64.5 |
| 103 | 4.52 | 70.7 | 0.09 -0.04 | 63.7 | 3.5 | 0 -0.05 | 65 |
| 103 | 4.52 | 63.3 | 3.7 | 0.01 -0.04 | 73 | ||
| 86.4 | 4.5 | 72 | 0.15 0.09 | 65 | 3.5 | -0.08 -0.13 | 64.5 |
| 95 | 4.52 | 0.27 0.21 | -0.045 -0.095 | 71.5 | |||
| 95 | 3.5 | 0.09 0.03 | -0.015 -0.065 | 64 | |||
| 108 | 3.5 | -0.03 -0.08 | 75 | ||||
| 87 | 4.5 | 0.11 0.06 | 0.01 -0.04 | 53 | |||
| 95 | 4.52 | 0.27 0.21 | -0.045 -0.095 | 67.5 | |||
| 99 | 4.5 | 74 | 0.19 0.14 | 70 | 2 | -0.03 | 74 |
| 112 | 4.6 | 77 | 0.27 0.21 | 3.5 | -0.08 | 89.5 | |
| 95 | 4.5 | 0.14 0.09 | -0.04 -0.10 | 72 | |||
| 112 | 4.52 | 0.27 0.21 | -0.005 -0.055 | 89.7 | |||
| 93 | 6 | 78 | 0.15 0.09 | 4 | -0.09 -0.14 | 71 | |
| 93 | 8 | 80 | 0.16 0.10 | 5 | -0.075 -0.125 | 70 | |
| 107 | 4.5 | 83 | 75 | 4 | -0.07 -0.13 | 74 | |
| 97 | 10 | 85 | 0.17 0.12 | 5 | -0.10 -0.16 | 79.5 | |
| 97 | 5 | 0.155 0.095 | 70 | ||||
| 120 | 3.8 | 92.6 | 0.16 0.09 | 85 | 3.8 | 0.06 0 | 93 |
| 120 | 6 | 93 | 4 | -0.11 -0.17 | 94 | ||
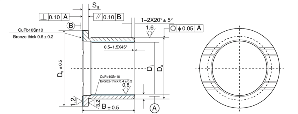
ขนาดดังกล่าวข้างต้นใช้สำหรับการอ้างอิงเท่านั้น HZ สามารถผลิตชิ้นส่วนตามแบบของลูกค้า

เราจะตอบกลับคุณภายใน 12 ชั่วโมงของวันทำการ
ฮัวโจวเชี่ยวชาญในการวิจัยและพัฒนาผลิตภัณฑ์ตลับลูกปืนแบบหล่อลื่นในตัว การผลิต การขาย และการบริการ โดยเป็นหนึ่งในองค์กรขนาดใหญ่ที่ครอบคลุม
Huazhou ติดตั้งอุปกรณ์และบุคลากร R&D ระดับไฮเอนด์ และมีอุปกรณ์ขนาดต่างๆ มากกว่า 200 ชุด รวมถึงเครื่องขด เครื่องเจาะ เครื่องลบมุมอัตโนมัติเต็มรูปแบบ เครื่องขดม้วนอัตโนมัติเต็มรูปแบบ สายการเผาวัตถุดิบ ฯลฯ นอกจากนี้ ยังมีชุดเครื่องมือบดหลายพันชุดเครื่องมือ และประสิทธิภาพการผลิตของผลิตภัณฑ์ก็ก้าวไปสู่ระดับใหม่ ตัวอย่างผลิตได้ภายใน 3 วัน โดยมีผลผลิตรายวัน 500,000 ชิ้น และผลผลิตหลายร้อยล้านชิ้นต่อปี
การเปิดตัวอุปกรณ์พิเศษมากกว่า 260 รายการ พร้อมด้วยแม่พิมพ์นับหมื่น ผู้เชี่ยวชาญมากกว่า 150 คน และสายการผลิตอัตโนมัติ 30 รายการ
ผลิตภัณฑ์ของเราจำหน่ายในมณฑลต่างๆ ของจีน และใช้กันอย่างแพร่หลายในอุตสาหกรรมเครื่องจักรต่างๆ Volkswagen, BYD ฯลฯ และด้วยมาตรฐานสากลส่งออกไปยังรัสเซีย มาเลเซีย Tasania อิรัก โรมาเนีย และอีก 16 ประเทศ
