แบริ่งหน้าแปลน HZ-GFM ผสมผสานความสามารถในการรับน้ำหนักในแนวรัศมีเข้ากับการควบคุมการจัดแนวตามแนวแกนด้วยการออกแบบหน้าแปลนแบบรวม ผลิตจากโพลีเมอร์ที่คงความร้อนด้วยความร้อน ทนทานต่อโหลดกระแทกเป็นระยะๆ และการเยื้องศูนย์ในข้อต่อของยานยนต์ แดมเปอร์ HVAC หรือระบบขนถ่ายวัสดุ
คุณสมบัติหลัก
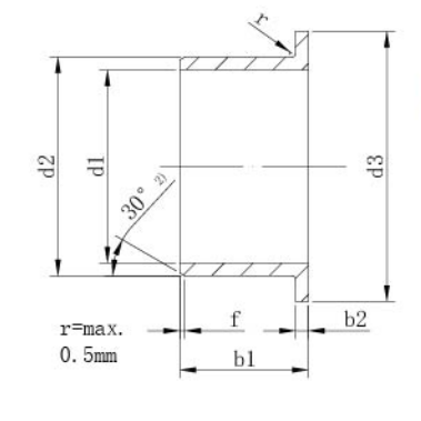
การออกแบบหน้าแปลน: ป้องกันการเคลื่อนตัวของแกน ช่วยลดความยุ่งยากในการติดตั้งในตัวเรือนวัสดุอ่อน
วัสดุ: PA66 หรือ PEEK เสริมใยแก้วเพื่อการทนต่ออุณหภูมิสูง (สูงถึง 180°C ในระยะสั้น)
การติดตั้ง: ใช้งานได้กับเครื่องมือสวมอัด (เช่น ซีรีส์ PT-1350) เพื่อการประกอบที่รวดเร็ว
การใช้งาน: ตัวเรือนปั๊ม ตัวนำแอคชูเอเตอร์ไฟฟ้า และลูกกลิ้งสายพานลำเลียงที่ต้องการความเสถียรแบบสองทิศทาง















